Muchos recordarán esta mítica escena y la famosa frase: "trata de arrancarlo Carlos!" pronunciada por el genial Luis Moya y que tanto juego ha dado en sketch humorísticos. Si como sabemos "detrás de un gran hombre siempre hay una gran mujer", podría generalizar y afirmar que "detrás de un gran piloto hay un gran copiloto". A finales de los 80 principios de los 90 coincidiendo con sus éxitos se despertó el interés por el mundo de los rallies en nuestro país. Incluso en los boletines informativos de RNE estaban pendientes de los tiempos de lo tramos. Para mí lo emocionante eran las imagenes On Board de ambos y las indicaciones del bueno de Luis tan rápidas y precisas, aunque estaban en castellano no lograba descifrar nada. Las palabras "sasar" y "ras" se quedaron marcadas para siempre en mi cabeza. Para ellos "ras" era arriesgar. El nexo de unión con una estrategia tan arriesgada y especulativa como los straddles no va por aquí sino con el conocido patrón pre-earnings en la volatilidad implícita conocido como "Rush Volatility" puesto que la fonética inglesa de esta palabra es /r^s/.
Si existe un patrón repetitivo en el comportamiento de la volatilidad implícita de los valores es este. Por esta razón no pocos intentan o intentamos aprovechar esta "ventaja" de antemano con operaciones que se beneficien del aumento de las primas motivado por el despegue de la volatilidad implícita. Lo que ocurre es que al igual que los compradores la contraparte espera lo mismo y no va a regalar el precio y lo ajusta en función del movimiento esperado. Hoy revisaré el straddle ATM que había planteado hace un mes en paper.
Señalar que en toda operación de opciones deberíamos pronosticar sobre 3 variables que impactarán en la cotización de las primas: Delta (precio del subyacente), Vega (volatilidad implícita) y Theta (Time Decay). Esta última es la que nos va a penalizar conforme pasen los dias de la operación, pues si no existe desplazamiento del precio hacia un lado u otro será difícil salir del "Pozo de la Muerte" aunque el aumento que prevemos en la implícita nos contenga las pérdidas
Podríamos plantear una estrategia esperando un movimiento explosivo del precio en cualquier dirección (enfoque Delta, apoyado por Gamma) o bien basada en el Rush de Volatilidad y cerrar la operación antes del informe de beneficios tras la revalorización de las primas esperada. Esto que parece tan evidente viendo el gráfico inferior de la subida de volatilidad implicita del subyacente (no confundir con la de nuestros strikes seleccionados que también subirán), no es tan sencillo de disfrutarlo por el ajuste que realizan los operadores en el momento de la venta pues descuentan su futuro movimiento como ya dije.
Este es el patrón Pre-earnings en la acción seleccionada:

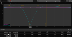
Grafico de Riesgo un 2 días antes del anuncio.
Practicamente el precio se encuentra en el mismo lugar donde se inició la estrategia. Ha pasado el tiempo y lo que nos ha mantenido la línea blanca de P&L cerca de cero ha sido el aumento de la IV de los strikes, se ha doblado, ahora tienen sobre el 86% tanto en la Call como en la Put.

El Crush de Volatilidad tras el anuncio
Como acabó la posición:
Gracias al movimiento del precio y al aumento de la IV que compensó la pérdida de valor temporal la operación habría salido en beneficio. Esta es la parte agradable de la historia, pero como cada trader posee una aversión al riesgo diferente quizás en estas situaciones donde nuestro objetivo principal es aprovechar sacar partido al Rush de Volatilidad sería mejor cerrar uno o dos días antes del evento y cumplir con el plan. Si permaneces dentro dejas la iniciativa a Delta pues ya has visto en la imagen del Crush de Volatilidad lo que sucederá con la IV que se traducirá en pérdidas por Vega, tendríamos un Lotto Trade horas antes del anuncio.
Ya veremos más detalles de estrategias sobre earnings.
Os recuerdo que el próximo Jueves 21 de Mayo, a las 20.00h, haremos un webinar gratuito en Rankia sobre Brókes y Plataformas de Opciones.
Tenéis más información en el siguiente link:
Curso Rankia - Trading con Opciones: Brókers y Plataformas
Echeneis
********************************
Formación en Inversión y Trading con Opciones: Registro gratuito aquí
